
| 說明項 | 參數說明 | |||||||
|---|---|---|---|---|---|---|---|---|
| 型號說明 | 型號 | RM-GB-11-20-2-ITG | RM-GB-11-40-2-ITG | RM-GB-17-30-2-ITG | RM-GB-17-60-2-ITG | RM-GB-17-80-2-ITG | RM-GB-17-120-2-ITG | |
| 尺寸編號 | 11 | 11 | 17 | 17 | 17 | 17 | ||
| 行程(mm) | 20 | 40 | 30 | 60 | 80 | 120 | ||
| 規格 | 2 | 2 | 2 | 2 | 2 | 2 | ||
| 性能參數 | 夾持力1(N) | 65 | 110 | 350 | 175 | 500 | 500 | |
| 最高速度(mm/s) | 80 | 80 | 80 | 80 | 80 | 80 | ||
| 重複精度(mm) | ±0.05 | ±0.05 | ±0.05 | ±0.05 | ±0.02 | ±0.02 | ||
| 最快開/合時間(s) | 0.33/0.33 | 0.58/0.58 | 0.4/0.4 | 0.7/0.7 | 0.9/0.9 | 1.3/1.3 | ||
| 負載允許力矩(N.m) | MR: 8.0 MP: 5.9 MY: 5.9 |
MR: 8.0 MP: 5.9 MY: 5.9 |
MR: 58.5 MP: 15.0 MY: 25.5 |
MR: 58.5 MP: 15.0 MY: 25.5 |
MR: 60 MP: 30 MY: 40 |
MR: 60 MP: 30 MY: 40 |
||
| 斷電自鎖 | 機械自鎖 | 機械自鎖 | / | 機械自鎖 | / | / | ||
| 控制方式 | 控制方式 | 總線 | Modbus RTU/CANopen | Modbus RTU/CANopen | Modbus RTU/CANopen | Modbus RTU/CANopen | Modbus RTU/CANopen | Modbus RTU/CANopen |
| 接口 | I/O 控制 | I/O 控制 | I/O 控制 | I/O 控制 | I/O 控制 | I/O 控制 | ||
| I/O 接口 | 輸入3點(NPN) 輸出3點(NPN) |
輸入3點(NPN) 輸出3點(NPN) |
輸入2點(NPN) 輸出3點(NPN) |
輸入2點(NPN) 輸出3點(NPN) |
輸入2點(NPN) 輸出3點(NPN) |
輸入2點(NPN) 輸出3點(NPN) |
||
| 運行環境 | 額定電壓(V) | DC24±10% | DC24±10% | DC24±10% | DC24±10% | DC24±10% | DC24±10% | |
| 額定電流(A) | 2 | 2 | 4 | 4 | 4 | 4 | ||
| 質量(kg) | 0.8 | 1.1 | 2.1 | 2.3 | 3.45 | 3.6 | ||
| 使用環境 | 0~40°C、85%RH以下 (無結露情況下) | 0~40°C、85%RH以下 (無結露情況下) | 0-40°C、85%RH以下 (無結露情況下) | 0~40°C、85%RH以下 (無結露情況下) | 0~40°C、85%RH以下 (無結露情況下) | 0-40°C、85%RH以下 (無結露情況下) | ||
| 防護等級 | IP40 | IP40 | IP40 | IP40 | IP40 | IP40 | ||
| 說明項 | 參數說明 | |||||||
|---|---|---|---|---|---|---|---|---|
| 型號說明 | 型號 | RM-GB-11-20-2 | RM-GB-11-40-2 | RM-GB-17-30-2 | RM-GB-17-60-2 | RM-GB-17-80-2 | RM-GB-17-120-2 | |
| 尺寸編號 | 11 | 11 | 17 | 17 | 17 | 17 | ||
| 行程(mm) | 20 | 40 | 30 | 60 | 80 | 120 | ||
| 規格 | 2 | 2 | 2 | 2 | 2 | 2 | ||
| 性能參數 | 夾持力1(N) | 65 | 110 | 500 | 250 | 700 | 700 | |
| 最高速度(mm/s) | 80 | 80 | 80 | 80 | 80 | 80 | ||
| 重複精度(mm) | ±0.05 | ±0.05 | ±0.02 | ±0.05 | ±0.02 | ±0.02 | ||
| 最快開/合時間(s) | 0.33/0.33 | 0.58/0.58 | 0.4/0.4 | 0.7/0.7 | 0.9/0.9 | 1.3/1.3 | ||
| 負載允許力矩(N.m) | MR: 8.0 MP: 5.9 MY: 5.9 |
MR: 8.0 MP: 5.9 MY: 5.9 |
MR: 58.5 MP: 15.0 MY: 25.5 |
MR: 58.5 MP: 15.0 MY: 25.5 |
MR: 60 MP: 30 MY: 40 |
MR: 60, MP: 30 MY: 40 |
||
| 斷電自鎖 | 機械自鎖 | 機械自鎖 | 可選煞車 | 機械自鎖 | 可選煞車 | 可選煞車 | ||
| 控制方式 | 適用控制器 | RM-C-20, RM-CEP-20, RM-CEM |
RM-C-20, RM-CEP-20, RM-CEM |
RM-C-40, RM-CEP-40, RM-CEM |
RM-C-40, RM-CEP-40, RM-CEM |
RM-C-40, RM-CEP-40, RM-CEM |
RM-C-40, RM-CEP-40, RM-CEM |
|
| 支援總線協議 | Modbus RTU, EtherCAT, Modbus TCP, PROFINET, EtherNet/IP, CC-LINK, CANopen | |||||||
| 運行環境 | 額定電壓(V) | DC24±10% | DC24±10% | DC24±10% | DC24±10% | DC24±10% | DC24±10% | |
| 額定電流(A) | 2 | 2 | 4 | 4 | 4 | 4 | ||
| 質量(kg) | 0.8 | 1.1 | 2.1 | 2.3 | 3.45 | 3.6 | ||
| 使用環境 | 0~40°C、85%RH以下 (無結露情況下) | 0~40°C、85%RH以下 (無結露情況下) | 0-40°C、85%RH以下 (無結露情況下) | 0~40°C、85%RH以下 (無結露情況下) | 0~40°C、85%RH以下 (無結露情況下) | 0-40°C、85%RH以下 (無結露情況下) | ||
| 防護等級 | IP40 | IP40 | IP40 | IP40 | IP40 | IP40 | ||
說明:
1. 數據來自於25℃實驗室實測結果。
2. 本產品手冊提供的圖面為預設的標配型號,如需選配不同馬達方向、出線方向或出線方式等的其他型號,請聯絡本地銷售代表索取選配型號的圖面。
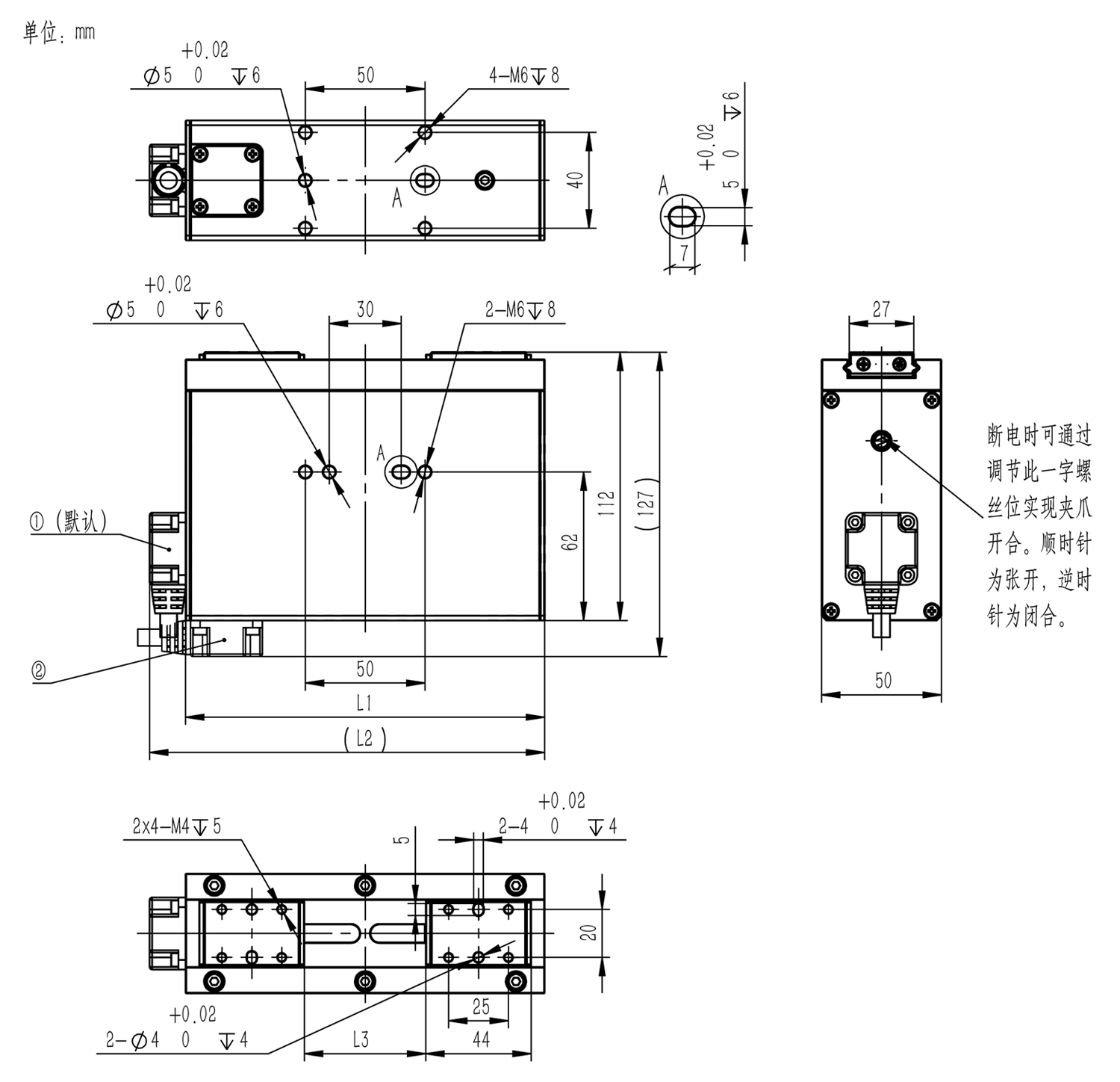
安裝說明:
1.主體固定時,請使用同一安裝面上的所有螺紋孔固定
2.擰緊螺栓時,不得超過螺紋孔深度
註:夾爪可選①、②其中任一個出線殼安裝位置,預設為①,20行程的夾爪出線位置只有①選項出線殼的朝向可依實際需要做出調整
| 行程 | 20 | 40 |
|---|---|---|
| L1 | 90 | 110 |
| L2 | 105 | 125 |
| L3 | 0~20 | 0~40 |
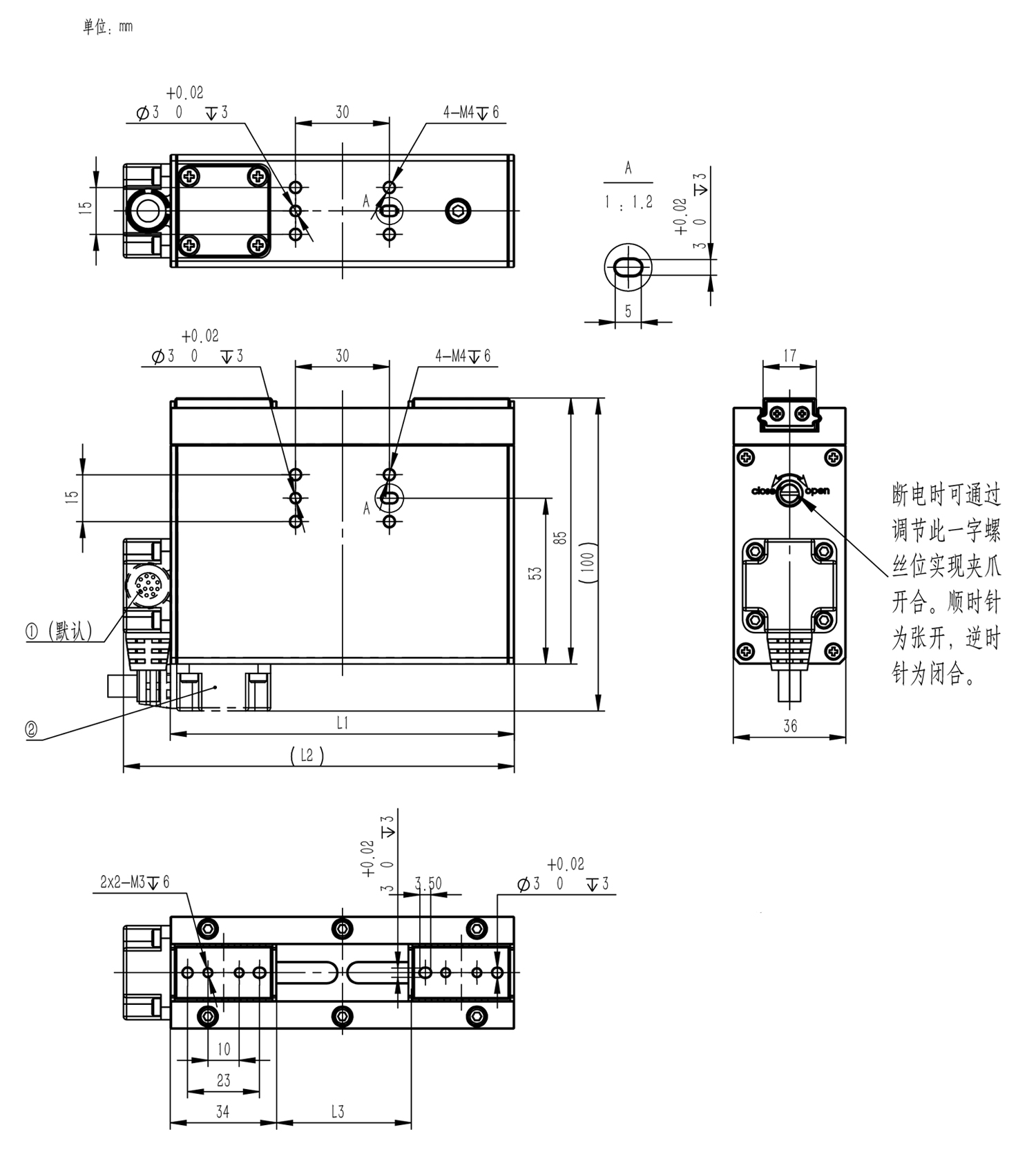
安裝說明:
1.主體固定時,請使用同一安裝面上的所有螺紋孔固定
2.擰緊螺栓時,不得超過螺紋孔深度
註:夾爪可選①、②其中任一個出線殼安裝位置,預設為①,出線殼的朝向可依實際需要做出調整
| 行程 | 30 | 60 |
|---|---|---|
| L1 | 150 | 150 |
| L2 | 165 | 165 |
| L3 | 32~62 | 0~60 |
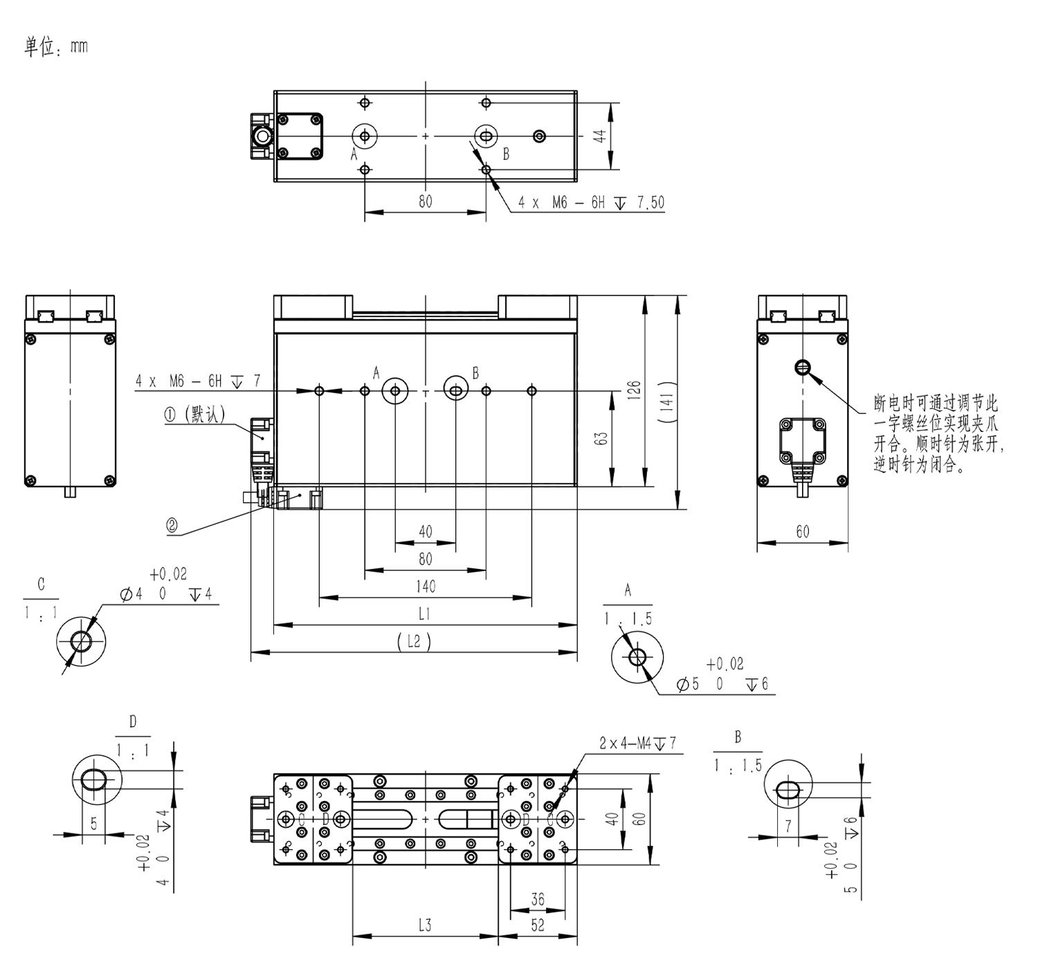
安裝說明:
1.主體固定時,請使用同一安裝面上的所有螺紋孔固定
2.擰緊螺栓時,不得超過螺紋孔深度
註:夾爪可選①、②其中任一個出線殼安裝位置,預設為①,出線殼的朝向可依實際需要做出調整
| 行程 | 80 | 120 |
|---|---|---|
| L1 | 200 | 240 |
| L2 | 215 | 255 |
| L3 | 16~96 | 16~136 |

